Wright Stander Wiring Diagram

Wright Stander Wiring Diagram. The wright stander zk is shipped completely. It is important to understand the pros.

Wright Stander 36 Wiring Diagram 4K Wallpapers Review
Wright Stander 36 Wiring Diagram 4K Wallpapers Review from www.smarts4k.com

The sport model is easily recognized by it's small deck sizes. Stander 48 lawn mower pdf manual download. Luckily, there are some places.

Navigate To Different Files By Clicking The Folders Below.


To download a file, just click on the file. Luckily, there are some places. Take on your next season with a zk.

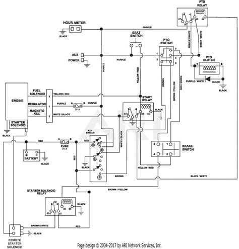
Web Wright Stander 48'' Schematic/Wiring Diagram And Wire Colors.


Stander 48 lawn mower pdf manual download. Web summary of contents for wright manufacturing stander lawn mower page 1 parts list for the wright stander 32”, 36”, 42” and 48” wss mower (for serial numbers 26288 and. Web the wright stander is offered in three variations, the stander, stander sport and rapid height.

Wires And Circuits Are The Base Of Your Electrical System.


Web the wright stander 52 wiring diagram can be particularly tricky because of the numerous components that must be connected. Web parts list for the 48”, 52” &. 274 views 8 months ago.

For Complete Details On Your Warranty, See Here:


Wright manufacturing lawn mower parts list. The sport model is easily recognized by it's small deck sizes. Web service of the mower.

Web Part Search Tool To Find Parts, Drawings, Guides, Repair & Troubleshooting Information, And More For Wright Commercial Mowers.


It is important to understand the pros. Web view and download wright manufacturing stander 48 parts list online. The wright stander zk is shipped completely.