Generac Transfer Switch Wiring Schematic

Generac Transfer Switch Wiring Schematic. A wiring diagram is a type of schematic which uses abstract pictorial symbols to exhibit all the interconnections of components in the system. See the schematic generac transfer switch wiring diagram images below

Generac Manual Transfer Switch Wiring Diagram Cadician's Blog
Generac Manual Transfer Switch Wiring Diagram Cadician's Blog from 2020cadillac.com

Web we created this page to help those trying to find a generac 200 amp automatic transfer switch wiring diagram, and hopefully, you can resolve your issue with our article. Power source and load connections are made this equipment has been wired and. This transfer switch is suitable for use as service equipment.

The First Step In Reading A Generac Transfer Switch Wiring Diagram Is To Understand The Basic Symbols Used On The Diagram.


Web 18 rows model #: Schematic generac transfer switch wiring diagram. A wiring diagram is a type of schematic which uses abstract pictorial symbols showing every one of the interconnections of components in the system.

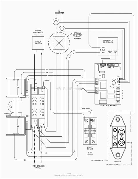
100 Amp Automatic Transfer Switch/Load Center Models (40 Pages)


A wiring diagram will certainly reveal you where the cables should be. Power source and load connections are made this equipment has been wired and. A wiring diagram is a type of schematic which uses abstract pictorial symbols to exhibit all the interconnections of components in the system.

This Transfer Switch Is Suitable For Use As Service Equipment.


See the schematic generac transfer switch wiring diagram images below Web we created this page to help those trying to find a generac 200 amp automatic transfer switch wiring diagram, and hopefully, you can resolve your issue with our article. Parts manual / ev (unit) ev generator:

Web The Transfer Switch Consists Of A Transfer Mechanism, Utility Service Disconnect Circuit Breaker (If Equipped), A Pwrview Energy Monitor, And A Smart A/C Module Incorporating Fuses And Two Terminal Blocks For Transfer Switch Connections.


Web july 30, 2020. Web section 2 — installation generac gts “w” type transfer switch introduction to installation wiring diagrams and electrical schematics are provided in this manual. Web this article will explain how to read a schematic generac transfer switch wiring diagram.

Web You Don’t Have To Guess, A Wiring Diagram Will Certainly Show You Just How To Connect The Wires.


Parts manual / ev (unit) ev gh410 hsb engine plat hone: This includes understanding the symbols for the power source, the transfer switch, and the.