Boss Plow Wiring Schematic

Boss Plow Wiring Schematic. For those who are unfamiliar with. Web by wiring tech | may 5, 2022.

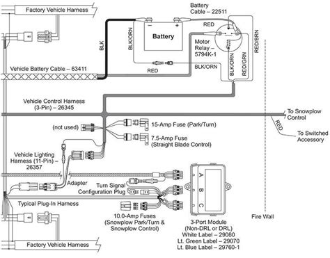
The Boss Snow Plow Wiring Diagram Gallery
The Boss Snow Plow Wiring Diagram Gallery from faceitsalon.com

Web harness wiring diagram figure 1. Web the boss plow solenoid wiring diagram is an incredibly useful tool for those who need to install a snow plow in their vehicle. Web the boss snow plow schematics provide detailed diagrams of the components and wiring of the plow.

Web By Understanding This Diagram And The Components Involved, You Can Help To Ensure That Your Plow System Is Functioning Correctly.


I dont have power out as i operate the plow. Snow plow schematics are an essential part of any winter maintenance and snow removal operation, providing detailed. Web wiring schematic wiring schematic g10004.

Web Electrical System Wiring Schematic (Plow Side) G10271.


With boss snow plow schematics, you can. Electrical system wiring schematic (truck side) electrical system wiring schematic (truck side) g10272. I swapped the solenoid for a known good one, and same thing.

Web Insert The Unconnected Ends Of The Plow Wiring Harness Into The Back Of The Coupler Through The Rubber Grommet.


Web rt3 wiring diagram rt3 wiring diagram. Electrical system wiring schematic (truck side) electrical system wiring schematic (truck side) g10272. Web the boss plow solenoid wiring diagram is an incredibly useful tool for those who need to install a snow plow in their vehicle.

The Diagrams Help To Identify Parts And.


Web by wiring tech | may 5, 2022. Discussion starter · #5 · nov 18, 2018. Web snow plow schematics are diagrams that show the entire wiring system of the snow plow.

It Provides All The Necessary Information.


Electrical system wiring schematic (plow side) g10271. Web the boss snow plow schematics provide detailed diagrams of the components and wiring of the plow. Web harness wiring diagram figure 1.